欢迎了解我们的位移和角度传感器,它们提供多种结构形式、测量范围和技术方案。
自1947年以来,Novotechnik一直致力于提供精准可靠的传感器技术,其产品广泛应用于全球各行各业。
在我们的服务专区,您可以找到顺利开展合作所需的一切。
凡是需要精确测量路径和角度的地方,我们的传感器都能派上用场。自1947年以来,我们始终将技术经验与持续创新相结合。
您对我们的产品有疑问,还是需要技术咨询?我们很乐意为您提供帮助,并协助您解决问题。
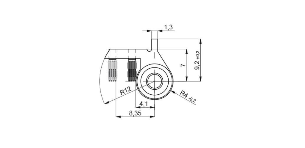
首页 > 配件与组件 > Position marker > S-094
了解我们的位移和角度传感器在全球哪些行业中得到应用,并为您的应用找到合适的解决方案。
欢迎利用我们提供的个性化咨询和技术专长。我们将全程为您提供可靠的支持,从最初的构想到最终的成功落地。
* 必填项